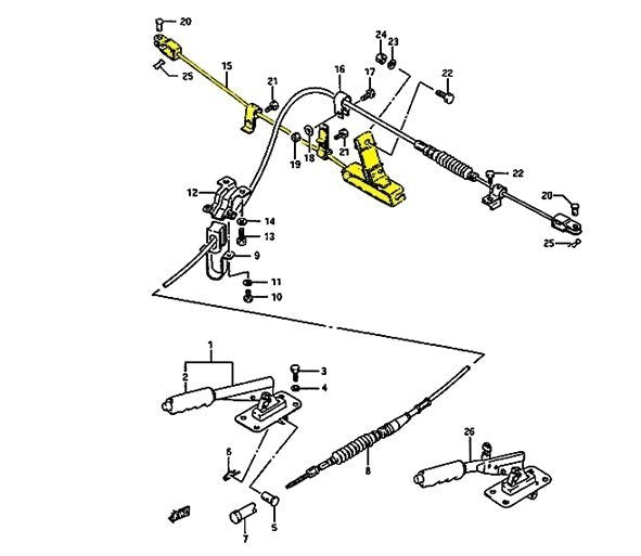
Description
| Assembly area | rear |
|---|
COMPATIBLE VEHICLES
| LAND CRUISER (_J7_) 2.4 (RJ70_V, RJ73_V) | 12.1988 - 12.1996 | 84 | 114 | 2367 | Closed off-road vehicle | ||||||||
|---|---|---|---|---|---|---|---|---|---|---|---|---|---|
| LAND CRUISER (_J7_) 2.4 TD (LJ70) | 01.1990 - 05.1993 | 66 | 90 | 2446 | Closed off-road vehicle | ||||||||
| LAND CRUISER (_J7_) 3.0 TD (KZJ70_, KZJ73_, KZJ77_) | 05.1993 - 05.1996 | 92 | 125 | 2982 | Closed off-road vehicle | ||||||||
| LAND CRUISER Hardtop (_J7_) 2.4 TD (LJ70_) | 07.1990 - 05.1996 | 66 | 90 | 2446 | Open off-road vehicle | ||||||||
| LAND CRUISER Hardtop (_J7_) 3.0 TD (KZJ70_) | 05.1993 - 05.1996 | 92 | 125 | 2982 | Open off-road vehicle |


